138 6226 1027
专注于编码器和自动化解决方案
主营:绝对值编码器、编码器配套仪表、自动化控制系统、工业自动化产品
产品分类
product categories
应用行业:工业自动化
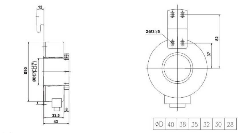
产品结构:空心轴
外径(mm):90
孔径/轴径(mm): 20mm、30mm、40mm
分辨率(CPR):100~5000
工作电压:5~26V
输出电路:voltage output, push+pull,open collector, RS422(line driver)





产品简介:
应用行业:工业自动化
产品结构:空心轴
外径(mm):90
孔径/轴径(mm): 20mm、30mm、40mm
分辨率(CPR):100~5000
工作电压:5~26V
输出电路:voltage output, push+pull,open collector, RS422(line driver)
特点及应用
内部采用ASIC器件,可靠性高,寿命长,抗干扰性能强。不锈钢主轴具有更高的稳定性和防护能力,金属外壳更加牢固抗冲击。出线端金属接口套防水保护
应用于自动控制、测量、机器人、X-Y工作、印刷包装、计算机设备及数控设备。
机械参数:
输出电路 | 集电极开路 | 电压输出 | 互补型输出 | 长线驱动输出 |
电源电压Vcc | 5~26 | 5~26 | 5±0.25 5~26 | 5±0.25 5~26 |
消耗电流 | ≤80mA | ≤80mA | ≤80mA | ≤150mA |
负载电流 | 40mA | 40mA | 40mA | 60mA |
输出H高电平 | 最小Vcc*70% | 最小Vcc-2.5V | 最小Vcc-1.5V | 最小3.4V |
输出低高电平 | 最大0.4V | 最大0.4V | 最大0.8V | 最大0.4V |
上升时间Tr | MAX 1us | MAX 1us | MAX 1us | MAX 200ns |
下降时间Tf | MAX 1us | MAX 1us | MAX 1us | MAX 200ns |
最高频率响应 | 300kHz | 300kHz | 300kHz | 300kHz |
每分钟最大转速r/min | 起动扭矩 | 轴最大负荷 | 抗冲击 | 抗振动 |
6000 | <1Nm | 径向50N 轴向20N | 50G/11ms | 10G 10~2000HZ |
转动惯量 | 工作温度 | 储存温度 | 防护等级 | 重量 |
4x10-8 | -30~85℃ | -35~95℃ | IP51 | 650g |
外径尺寸:

版权所有:灏秒科技(苏州)有限公司 严禁复制 网站备案号:苏ICP备2024138961号-1
地址:江苏省苏州市太仓市浏河镇铃美路8号滨江兴业港2号厂房3层305、306、307、308、309、310室
24h客服服务电话:13817888308/13862261027
热门关键词:RS485信号编码器 MODBUS RTU信号编码器 SSI信号编码器 CANOPEN信号编码器 4-20mA信号编码器 CAN2.0信号编码器